| key | PART NO. | PART NAME | QTY | SERIAL NO. | REMARKS | |
|---|---|---|---|---|---|---|
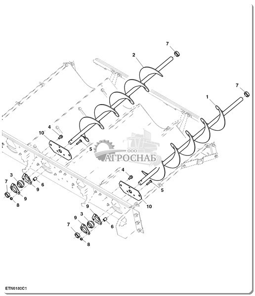
| 1 | KXE10350 | Подшипниковый комплект | 1 | |||
| 2 | AH129452 | Эксцентр. контров. кольцо | 1 | |||
| 3 | E10018 | Формован. фланцевый корпус | 2 | |||
| 4 | AH168161 | Шариковый подшипник | 1 | |||
| 5 | 14M7296 | Фланцевая гайка | 3 | M10 | ||
| 6 | 19M7784 | Винт | 11 | M10 X 20 | ||
| 7 | 19M7866 | Винт | 9 | M8 X 20 | ||
| 8 | 14M7298 | Фланцевая гайка | 21 | M8 | ||
| 9 | JD8554 | Эксцентр. контров. кольцо | 7 | |||
| 10 | H103264 | Формован. фланцевый корпус | 14 | |||
| key | PART NO. | PART NAME | QTY | SERIAL NO. | REMARKS | |
| 11 | AXE39453 | Подшипник | 4 | SUB FOR AH214862 | ||
| 12 | 28H1720 | Втулка | 12 | 0.423" X 0.675" X 27/32" | ||
| 13 | 03M7188 | Болт | 12 | M8 X 40 | ||
| 14 | JD8665 | Шариковый подшипник | 3 | |||
| 15 | AXE48816 | Желоб | 1 | |||
| 16 | H213064 | Пластина | 4 | |||
| 17 | HXE35167 | Формован. фланцевый корпус | 1 |
| key | PART NO. | PART NAME | QTY | SERIAL NO. | REMARKS | |
|---|---|---|---|---|---|---|
| 1 | 14M7296 | Фланцевая гайка | 24 | M10 | ||
| 2 | 14M7298 | Фланцевая гайка | 16 | M8 | ||
| 3 | 14M7299 | Фланцевая гайка | 8 | M12 | ||
| 4 | 19M7784 | Винт | 14 | M10 X 20 | ||
| 5 | 19M7786 | Винт | 12 | M10 X 30 | ||
| 6 | 19M7789 | Винт | 8 | M12 X 30 | ||
| 7 | 19M7866 | Винт | 16 | M8 X 20 | ||
| 8 | H219691 | Делитель жатки | 1 | |||
| 9 | 19M7785 | Винт | 8 | M10 X 25 | ||
| 10 | AH218425 | Желоб | 1 | |||
| key | PART NO. | PART NAME | QTY | SERIAL NO. | REMARKS | |
| 11 | AXE48816 | Желоб | 1 | SUB FOR AH225889 | ||
| 12 | H177269 | Кронштейн | 1 | |||
| 13 | H202380 | Кронштейн | 2 | |||
| 14 | H208433 | Кронштейн | 1 | |||
| 15 | H219690 | Делитель жатки | 1 | |||
| 16 | AH163056 | Подшипник с корпусом | 4 |
| key | PART NO. | PART NAME | QTY | SERIAL NO. | REMARKS | |
|---|---|---|---|---|---|---|
| 1 | 19M7786 | Винт | 4 | M10 X 30 | ||
| 2 | H152546 | Дверца | 2 |
| key | PART NO. | PART NAME | QTY | SERIAL NO. | REMARKS | |
|---|---|---|---|---|---|---|
| 1 | 11M7028 | Шплинт | 1 | 5 X 32 mm | ||
| 2 | 11M7059 | Шплинт | 5 | 3.200 X 20 mm | ||
| 3 | 19M7897 | Винт | 1 | M8 X 35 | ||
| 4 | AH204945 | Рукоятка | 1 | |||
| 5 | 24M7106 | Шайба | 1 | 10 X 18 X 2.500 mm | ||
| 6 | H150746 | Крепление со штифтом | 1 | |||
| 7 | HZ5621H | Пружина | 1 | |||
| 8 | AH204946 | Рукоятка | 2 | |||
| 9 | 14M7152 | Гайка | 2 | M10 | ||
| 10 | H114330 | Вилка | 2 | |||
| key | PART NO. | PART NAME | QTY | SERIAL NO. | REMARKS | |
| 11 | AH204947 | Рукоятка | 1 | |||
| 12 | H137328 | Стопорная гайка | 1 | |||
| 13 | 45M7059 | Крепление со штифтом | 2 | 10 X 30 mm | ||
| 14 | 19M7784 | Винт | 4 | M10 X 20 | ||
| 15 | AXE71483 | Дверца | 2 | SUB FOR AH204948 | ||
| 16 | H204743 | Шарнир | 4 | |||
| 17 | HXE132206 | Дверца | 4 | USE WITH AXE71483 | ||
| 18 | HXE136552 | Зажимная скоба | 8 | USE WITH AXE71483 | ||
| 19 | H229359 | Крепление со штифтом | 4 | USE WITH AXE71483 | ||
| 20 | 11M7012 | Шплинт | 4 | 3.200 X 16 mm USE WITH AXE71483 | ||
| key | PART NO. | PART NAME | QTY | SERIAL NO. | REMARKS | |
| 21 | 24M7096 | Шайба | 4 | 10.500 X 18 X 1.600 mm USE WITH AXE71483 |
| key | PART NO. | PART NAME | QTY | SERIAL NO. | REMARKS | |
|---|---|---|---|---|---|---|
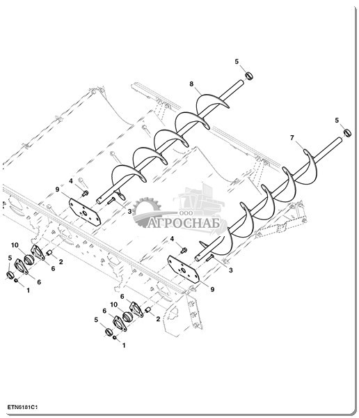
| 1 | AH168284 | Шнек | 2 | LH | ||
| 2 | AH168285 | Шнек | 2 | RH | ||
| 3 | AXE39453 | Подшипник | 4 | SUB FOR APPL AH214862 | ||
| 4 | 19M7784 | Винт | 8 | M10 X 20 | ||
| 5 | 03M7188 | Болт | 12 | M8 X 40 | ||
| 6 | 28H1720 | Втулка | 12 | 0.423" X 0.675" X 27/32" | ||
| 7 | JD8554 | Эксцентр. контров. кольцо | 8 | |||
| 8 | 14M7298 | Фланцевая гайка | 12 | M8 | ||
| 9 | H103264 | Формован. фланцевый корпус | 8 | |||
| 10 | H213064 | Пластина | 4 | FRONT |
| key | PART NO. | PART NAME | QTY | SERIAL NO. | REMARKS | |
|---|---|---|---|---|---|---|
| 1 | 14M7298 | Фланцевая гайка | 12 | M8 | ||
| 2 | 28H1720 | Втулка | 12 | 0.423" X 0.675" X 27/32" | ||
| 3 | 03M7188 | Болт | 12 | M8 X 40 | ||
| 4 | 19M7784 | Винт | 8 | M10 X 20 | ||
| 5 | JD8554 | Эксцентр. контров. кольцо | 8 | |||
| 6 | H103264 | Формован. фланцевый корпус | 8 | |||
| 7 | AH146786 | Шнек | 2 | LH | ||
| 8 | AH146787 | Шнек | 2 | RH | ||
| 9 | H213064 | Пластина | 4 | FRONT | ||
| 10 | AXE39453 | Подшипник | 4 | SUB FOR APPL AH214862 |
| key | PART NO. | PART NAME | QTY | SERIAL NO. | REMARKS | |
|---|---|---|---|---|---|---|
| 1 | 14M7296 | Фланцевая гайка | 7 | M10 | ||
| 2 | 14M7298 | Фланцевая гайка | 9 | M8 | ||
| 3 | 19M7784 | Винт | 3 | M10 X 20 | ||
| 4 | 19M7804 | Винт | 4 | M10 X 40 | ||
| 5 | 19M7866 | Винт | 9 | M8 X 20 | ||
| 6 | H171186 | Ось | 1 | |||
| 7 | H211285 | Коническая шестерня | 4 | Z = 13 | ||
| 8 | JD8554 | Эксцентр. контров. кольцо | 2 | |||
| 9 | E10018 | Формован. фланцевый корпус | 2 | |||
| 10 | H137215 | Передача | 4 | Z = 13 | ||
| key | PART NO. | PART NAME | QTY | SERIAL NO. | REMARKS | |
| 11 | AH129451 | Шариковый подшипник | 1 | |||
| 12 | H145112 | Скоба | 4 | |||
| 13 | M48583 | Шпонка вала | 4 | |||
| 14 | H103264 | Формован. фланцевый корпус | 5 | |||
| 15 | HXE35167 | Формован. фланцевый корпус | 1 | SUB FOR H222100 | ||
| 16 | AXE13435 | Контровочное кольцо | 1 | |||
| 17 | H170824 | Пластина | 1 | RH | ||
| 18 | JD8665 | Шариковый подшипник | 3 | |||
| 19 | AH129452 | Эксцентр. контров. кольцо | 1 | |||
| 20 | 34H119 | Пружинный шплинт | 4 | 5/16" X 1-3/4" | ||
| key | PART NO. | PART NAME | QTY | SERIAL NO. | REMARKS | |
| 21 | 34H286 | Пружинный шплинт | 4 | 3/16" X 1-1/2" |
| key | PART NO. | PART NAME | QTY | SERIAL NO. | REMARKS | |
|---|---|---|---|---|---|---|
| 1 | 03M7307 | Болт | 17 | M10 X 25 | ||
| 2 | 14M7296 | Фланцевая гайка | 55 | M10 | ||
| 3 | 19M7784 | Винт | 34 | M10 X 20 | ||
| 4 | 19M7786 | Винт | 4 | M10 X 30 | ||
| 5 | HXE30088 | Сальник | 2 | |||
| 6 | AH225961 | Лопатка | 1 | |||
| 7 | AH232265 | Сальник | 1 | Front, RH | ||
| 8 | AH232266 | Сальник | 1 | Front, LH | ||
| 9 | H214184 | Сальник | 2 | Задний | ||
| 10 | HXE10949 | Кронштейн | 1 | LH | ||
| key | PART NO. | PART NAME | QTY | SERIAL NO. | REMARKS | |
| 11 | M139714 | Заклепка | 67 | |||
| 12 | HXE10948 | Кронштейн | 1 | RH | ||
| 13 | AXE10506 | Пластина | 1 | |||
| 14 | AXE10463 | Сальник | 1 | RH | ||
| 15 | AXE10462 | Сальник | 1 | LH | ||
| 16 | H226786 | Полоса | 8 | |||
| 17 | HXE29888 | Полоса | 1 | |||
| 18 | HXE29159 | Уплотнение | 1 | |||
| 19 | HXE24000 | Кронштейн | 2 | |||
| 20 | HXE26336 | Элемент жесткости | 4 | |||
| key | PART NO. | PART NAME | QTY | SERIAL NO. | REMARKS | |
| 21 | H203497 | Сальник | 1 | |||
| 22 | AXE20836 | Пластина | 1 | |||
| 23 | HXE46741 | Сальник | 1 | SUB FOR HXE31019 | ||
| 24 | HXE30083 | Полоса | 2 | |||
| 25 | ...... | Пластина | nul | ORDER KXE10161 | ||
| 26 | ...... | Пластина | nul | ORDER KXE10161 |
| key | PART NO. | PART NAME | QTY | SERIAL NO. | REMARKS | |
|---|---|---|---|---|---|---|
| 1 | KXE10161 | Комплект башмаков | 1 | |||
| 2 | H226786 | Полоса | 4 | |||
| 3 | M139714 | Заклепка | 22 | |||
| 4 | HXE30083 | Полоса | 2 | |||
| 5 | HXE30088 | Сальник | 2 | |||
| 6 | 03M7307 | Болт | 14 | M10 X 25 | ||
| 7 | 14M7291 | Фланцевая гайка | 2 | M16 | ||
| 8 | 14M7296 | Фланцевая гайка | 38 | M10 | ||
| 9 | 14M7299 | Фланцевая гайка | 2 | M12 | ||
| 10 | 19M7784 | Винт | 26 | M10 X 20 | ||
| key | PART NO. | PART NAME | QTY | SERIAL NO. | REMARKS | |
| 11 | 19M7786 | Винт | 4 | M10 X 30 | ||
| 12 | 19M7820 | Винт | 2 | M12 X 100 | ||
| 13 | 24M7101 | Шайба | 2 | 11 X 34 X 3 mm | ||
| 14 | H231095 | Болт | 2 |
| key | PART NO. | PART NAME | QTY | SERIAL NO. | REMARKS | |
|---|---|---|---|---|---|---|
| 1 | KXE10094 | Комплект башмаков | 1 | |||
| 2 | H226761 | Сальник | 1 | |||
| 3 | H226786 | Полоса | 4 | |||
| 4 | M139714 | Заклепка | 18 | |||
| 5 | H226762 | Сальник | 1 | |||
| 6 | 03M7307 | Болт | 2 | M10 X 25 | ||
| 7 | 14M7291 | Фланцевая гайка | 2 | M16 | ||
| 8 | 14M7296 | Фланцевая гайка | 24 | M10 | ||
| 9 | 14M7299 | Фланцевая гайка | 2 | M12 | ||
| 10 | 19M7784 | Винт | 26 | M10 X 20 | ||
| key | PART NO. | PART NAME | QTY | SERIAL NO. | REMARKS | |
| 11 | 19M7786 | Винт | 4 | M10 X 30 | ||
| 12 | 19M7820 | Винт | 2 | M12 X 100 | ||
| 13 | H231095 | Болт | 2 |
| key | PART NO. | PART NAME | QTY | SERIAL NO. | REMARKS | |
|---|---|---|---|---|---|---|
| 1 | 03M7192 | Болт | 12 | M10 X 30 | ||
| 2 | 14M7296 | Фланцевая гайка | 55 | M10 | ||
| 3 | 14M7298 | Фланцевая гайка | 21 | M8 | ||
| 4 | 19M7784 | Винт | 17 | M10 X 20 | ||
| 5 | 19M7785 | Винт | 14 | M10 X 25 | ||
| 6 | 19M7789 | Винт | 2 | M12 X 30 | ||
| 7 | 19M7843 | Винт | 2 | M16 X 35 | ||
| 8 | 19M7866 | Винт | 29 | M8 X 20 | ||
| 9 | AH233283 | Сальник | 2 | |||
| 10 | 14M7299 | Фланцевая гайка | 2 | M12 | ||
| key | PART NO. | PART NAME | QTY | SERIAL NO. | REMARKS | |
| 11 | H174331 | Элемент жесткости | 8 | |||
| 12 | M64720 | Заклепка | 131 | |||
| 13 | H154071 | Гайка | 52 | |||
| 14 | HXE12979 | Уплотнение | 4 | |||
| 15 | HXE25976 | Полоса | 4 | |||
| 16 | H132161 | Палец | 4 | |||
| 17 | H148835 | Болт | 8 | |||
| 18 | H203497 | Сальник | 3 | |||
| 19 | H205727 | Пластина | 3 | |||
| 20 | AH152122 | Опора | 1 | |||
| key | PART NO. | PART NAME | QTY | SERIAL NO. | REMARKS | |
| 21 | AH164851 | Желоб | 1 | |||
| 22 | AXE51596 | Поддон | 1 | SUB FOR AXE11338 | ||
| 23 | HXE26336 | Элемент жесткости | 2 | |||
| 24 | AXE17210 | Отражательная пластина | 1 | |||
| 25 | AH227148 | Рама | 1 | INCLUDES H205857, H164715, H205599, H205609 AND M64720 | ||
| 26 | H205857 | Изолятор | 1 | |||
| 27 | H164715 | Стопор | 1 | |||
| 28 | H205599 | Сальник | 2 | |||
| 29 | H205609 | Элемент жесткости | 2 | |||
| 30 | R115466 | Заглушка | 35 | |||
| key | PART NO. | PART NAME | QTY | SERIAL NO. | REMARKS | |
| 31 | AXE20201 | Кронштейн | 1 | |||
| 32 | HXE30090 | Полоса | 4 | |||
| 33 | AXE20200 | Кронштейн | 1 | |||
| 34 | HXE46740 | Пластина | 1 | SUB FOR HXE29886 | ||
| 35 | AXE21036 | Сальник | 1 | LH | ||
| 36 | HXE29896 | Сальник | 2 | |||
| 37 | HXE30899 | Сальник | 2 | |||
| 38 | 03M7307 | Болт | 4 | M10 X 25 | ||
| 39 | 19M7865 | Винт | 4 | M8 X 16 | ||
| 40 | AXE21035 | Сальник | 1 | RH | ||
| key | PART NO. | PART NAME | QTY | SERIAL NO. | REMARKS | |
| 41 | HXE35544 | Заклепка | 2 | 3.250 mm | ||
| 42 | 24H1254 | Шайба | 2 | 17/32" X 1-1/8" X 0.105" | ||
| 43 | ...... | Рама | 1 | RH, ORDER KXE10581 | ||
| 44 | ...... | Рама | 1 | LH, ORDER KXE10581 |
| key | PART NO. | PART NAME | QTY | SERIAL NO. | REMARKS | |
|---|---|---|---|---|---|---|
| 1 | AXE12976 | Перегородка | 3 | |||
| 2 | H234588 | Пластина | 4 | |||
| 3 | HXE11106 | Делитель потока | 2 | (A) | ||
| 4 | HXE11107 | Делитель потока | 3 | (B) | ||
| 5 | HXE14411 | Перегородка | 3 | |||
| 6 | HXE15681 | Кронштейн | 3 | |||
| 7 | HXE22998 | Кронштейн | 4 | |||
| 8 | HXE23000 | Делитель потока | 4 | |||
| 9 | AXE30233 | Отражательная пластина | 8 | RH SUB FOR AXE19510 | ||
| 10 | M64720 | Заклепка | 64 | |||
| key | PART NO. | PART NAME | QTY | SERIAL NO. | REMARKS | |
| 11 | 24M7210 | Шайба | 32 | 5.500 X 18 X 2 mm | ||
| 12 | AXE30232 | Отражательная пластина | 8 | LH SUB FOR AXE19509 | ||
| 13 | 14M7298 | Фланцевая гайка | 48 | M8 | ||
| 14 | 14M7303 | Фланцевая гайка | 15 | M6 | ||
| 15 | 19M7774 | Винт | 15 | M6 X 12 | ||
| 16 | 19M7866 | Винт | 80 | M8 X 20 | ||
| 17 | BXE10076 | Комплект башмаков | 1 | |||
| 18 | H212275 | Лопатка | 16 |
| key | PART NO. | PART NAME | QTY | SERIAL NO. | REMARKS | |
|---|---|---|---|---|---|---|
| 1 | AXE17166 | Поддон | 1 | |||
| 2 | HXE59223 | Сальник | 2 | SUB FOR H203499 | ||
| 3 | H239920 | Сальник | 2 | |||
| 4 | M64720 | Заклепка | 12 | |||
| 5 | HXE19777 | Прокладка | AR | TK = 3 mm, Переднее уплотнение | ||
| HXE19778 | Прокладка | AR | TK = 6 mm, Переднее уплотнение | |||
| 6 | HXE20650 | Прокладка | AR | TK = 3 mm, Заднее уплотнение | ||
| HXE20651 | Прокладка | AR | TK = 6 mm, Заднее уплотнение |
| key | PART NO. | PART NAME | QTY | SERIAL NO. | REMARKS | |
|---|---|---|---|---|---|---|
| 1 | 14M7296 | Фланцевая гайка | 8 | M10 | ||
| 2 | 14M7298 | Фланцевая гайка | 8 | M8 | ||
| 3 | 19M7785 | Винт | 8 | M10 X 25 | ||
| 4 | 19M7866 | Винт | 8 | M8 X 20 | ||
| 5 | AXE21819 | Пластина | 1 | |||
| 6 | H170206 | Палец | 2 | |||
| 7 | HXE25438 | Кронштейн | 1 | |||
| 8 | H202436 | Кронштейн | 2 |
| key | PART NO. | PART NAME | QTY | SERIAL NO. | REMARKS | |
|---|---|---|---|---|---|---|
| 1 | 19M7784 | Винт | 2 | M10 X 20 | ||
| 2 | HXE25514 | Крышка | 1 |
| key | PART NO. | PART NAME | QTY | SERIAL NO. | REMARKS | |
|---|---|---|---|---|---|---|
| 1 | HXE37617 | Кронштейн | 1 | LH SUB FOR HXE17006 | ||
| 2 | 24M7101 | Шайба | 4 | 11 X 34 X 3 mm | ||
| 3 | H135891 | Стопорная гайка | 4 | |||
| 4 | 19M7786 | Винт | 4 | M10 X 30 | ||
| 5 | HXE37618 | Кронштейн | 1 | R SUB FOR HXE17007 | ||
| 6 | AXE19813 | Спуск | 1 | LH | ||
| 7 | HXE27998 | Кронштейн | 2 | |||
| 8 | 14M7572 | Стопорная гайка | 4 | M5 | ||
| 9 | 21M7265 | Винт | 4 | M5 X 12 | ||
| 10 | HXE28089 | Штифт | 2 | |||
| key | PART NO. | PART NAME | QTY | SERIAL NO. | REMARKS | |
| 11 | AXE19812 | Спуск | 1 | RH | ||
| 12 | HXE27361 | Мешалка | 2 | |||
| 13 | 19M7783 | Винт | 4 | M10 X 16 | ||
| 14 | A15147 | Пружинный стопорный штифт | 2 | SUB FOR APPL M72598 | ||
| 15 | R46528 | Пружинный стопорный штифт | 2 | |||
| 16 | HXE12326 | Стопор | 1 | |||
| 17 | HXE12407 | Сальник | 1 | |||
| 18 | M64720 | Заклепка | 10 |
| key | PART NO. | PART NAME | QTY | SERIAL NO. | REMARKS | |
|---|---|---|---|---|---|---|
| 1 | HXE28089 | Штифт | 2 | |||
| 2 | R46528 | Пружинный стопорный штифт | 2 | |||
| 3 | A15147 | Пружинный стопорный штифт | 2 | SUB FOR APPL M72598 | ||
| 4 | AXE19815 | Пластина | 1 | LH | ||
| 5 | AXE19814 | Пластина | 1 | RH | ||
| 6 | ...... | Уплотнитель | 2 | CTL 1238 mm, MF H81330 |
| key | PART NO. | PART NAME | QTY | SERIAL NO. | REMARKS | |
|---|---|---|---|---|---|---|
| 1 | AH165012 | Крепежные детали | 4 | |||
| 2 | 24M7180 | Шайба | 4 | 13 X 37 X 3 mm | ||
| 3 | H169836 | Распорная втулка | 4 | |||
| 4 | H170071 | Винт | 4 | |||
| 5 | H171075 | Стопор | 4 | |||
| 6 | N14279 | Пружина сжатия | 4 | |||
| 7 | R26286 | Уплотнительное кольцо | 4 | |||
| 8 | 24H1265 | Шайба | 4 | 13/16" X 1-1/4" X 0.060" | ||
| 9 | AXE10851 | Регулятор | 1 | |||
| 10 | HXE11441 | Полоса | 2 | OUTER | ||
| key | PART NO. | PART NAME | QTY | SERIAL NO. | REMARKS | |
| 11 | HXE11442 | Полоса | 1 | |||
| 12 | HXE11445 | Пластинчатая пружина | 2 | OUTER | ||
| 13 | HXE11446 | Пластинчатая пружина | 1 | |||
| 14 | HXE16541 | Изолятор | 2 | |||
| 15 | AXE10856 | Регулятор | 1 | |||
| 16 | HXE11452 | Полоса | 1 | |||
| 17 | HXE11453 | Пластинчатая пружина | 1 | |||
| 18 | HXE11454 | Полоса | 2 | OUTER | ||
| 19 | HXE11455 | Пластинчатая пружина | 2 | OUTER | ||
| 20 | 19M7868 | Винт | 8 | M8 X 30 | ||
| key | PART NO. | PART NAME | QTY | SERIAL NO. | REMARKS | |
| 21 | 14M7396 | Стопорная гайка | 8 | M8 | ||
| 22 | AXE20448 | Колосовое решето | 1 | |||
| AXE18879 | Колосовое решето | 1 | (A) | |||
| AXE18878 | Колосовое решето | 1 | (B) | |||
| 23 | AXE28477 | Решето грубой очистки | 1 | SUB FOR AXE20447; Dual Adjust | ||
| 24 | HXE42305 | Метка | 2 | |||
| 25 | AXE14081 | Жгут проводов | 2 | |||
| 26 | H205182 | Заклепка | 8 | |||
| 27 | H178105 | Гайка | 24 | |||
| 28 | 14M7397 | Стопорная гайка | 2 | M6 | ||
| key | PART NO. | PART NAME | QTY | SERIAL NO. | REMARKS | |
| 29 | 19M7833 | Винт | 2 | M6 X 35 | ||
| 30 | 19M7835 | Винт | 2 | M10 X 35 | ||
| 31 | AXE26119 | Регулятор | 1 | |||
| 32 | AXE26120 | Регулятор | 1 | |||
| 33 | H156800 | Стопор | 2 | |||
| 34 | HXE43052 | Полоса | 2 | |||
| 35 | H156801 | Пускатель | 1 | |||
| 36 | AH170119 | Жалюзи | 44 | |||
| 37 | AXE42167 | Жалюзи | 19 | |||
| 38 | AH170117 | Жалюзи | 51 |
| key | PART NO. | PART NAME | QTY | SERIAL NO. | REMARKS | |
|---|---|---|---|---|---|---|
| 1 | KXE10375 | Комплект башмаков | 1 | |||
| 2 | AXE53161 | Колосовое решето | 13 |
| key | PART NO. | PART NAME | QTY | SERIAL NO. | REMARKS | |
|---|---|---|---|---|---|---|
| 1 | KXE10376 | Комплект башмаков | 1 | |||
| 2 | AXE53901 | Колосовое решето | 19 |
| key | PART NO. | PART NAME | QTY | SERIAL NO. | REMARKS | |
|---|---|---|---|---|---|---|
| 1 | AH165012 | Крепежные детали | 4 | |||
| 2 | 24M7180 | Шайба | 4 | 13 X 37 X 3 mm | ||
| 3 | H169836 | Распорная втулка | 4 | |||
| 4 | H170071 | Винт | 4 | |||
| 5 | H171075 | Стопор | 4 | |||
| 6 | N14279 | Пружина сжатия | 4 | |||
| 7 | R26286 | Уплотнительное кольцо | 4 | |||
| 8 | 24H1265 | Шайба | 4 | 13/16" X 1-1/4" X 0.060" | ||
| 9 | 14M7518 | Фланцевая гайка | 2 | M10 | ||
| 10 | HXE11441 | Полоса | 2 | |||
| key | PART NO. | PART NAME | QTY | SERIAL NO. | REMARKS | |
| 11 | AXE24467 | Регулятор | 1 | |||
| 12 | HXE11445 | Пластинчатая пружина | 2 | |||
| 13 | HXE11446 | Пластинчатая пружина | 1 | |||
| 14 | HXE16541 | Изолятор | 2 | |||
| 15 | AXE10856 | Регулятор | 1 | |||
| 16 | HXE11452 | Полоса | 1 | |||
| 17 | HXE11453 | Пластинчатая пружина | 1 | |||
| 18 | HXE11454 | Полоса | 2 | |||
| 19 | HXE11455 | Пластинчатая пружина | 2 | |||
| 20 | AXE24468 | Регулятор | 1 | |||
| key | PART NO. | PART NAME | QTY | SERIAL NO. | REMARKS | |
| 21 | H156800 | Стопор | 2 | |||
| 22 | HXE43052 | Полоса | 1 | |||
| 23 | H156801 | Пускатель | 1 | |||
| 24 | HXE42305 | Метка | 2 | |||
| M139896 | Метка | 1 | USE WITH AXE18879 OR AXE18878 | |||
| 25 | H178105 | Гайка | 24 | |||
| 26 | 14M7397 | Стопорная гайка | 2 | M6 | ||
| 27 | 19M7796 | Винт | 2 | M6 X 30 | ||
| 28 | 19M7786 | Винт | 2 | M10 X 30 | ||
| 29 | R52516 | Втулка | 2 | |||
| key | PART NO. | PART NAME | QTY | SERIAL NO. | REMARKS | |
| 30 | M90781 | Распорная втулка | 2 | |||
| 31 | AXE28478 | Решето грубой очистки | 1 | Dual Adjustable SUB FOR AXE20449 | ||
| 32 | AXE20450 | Колосовое решето | 1 | Adjustable Seive | ||
| AXE18879 | Колосовое решето | 1 | 3 mm Hole Fixed Seive | |||
| AXE18878 | Колосовое решето | 1 | 10 mm Hole Fixed Seive | |||
| 33 | AXE42168 | Колосовое решето | 13 | |||
| 34 | AH170129 | Жалюзи | 33 | |||
| 35 | AH170119 | Жалюзи | 51 | |||
| 36 | N231749 | Шайба | 2 | |||
| 37 | AXE10967 | Регулятор | 1 | USE WITH AXE20449 | ||
| key | PART NO. | PART NAME | QTY | SERIAL NO. | REMARKS | |
| 38 | HXE11442 | Полоса | 1 | USE WITH AXE20449 |
| key | PART NO. | PART NAME | QTY | SERIAL NO. | REMARKS | |
|---|---|---|---|---|---|---|
| 1 | HXE26580 | Изолятор | 2 |
| key | PART NO. | PART NAME | QTY | SERIAL NO. | REMARKS | |
|---|---|---|---|---|---|---|
| 1 | 03M7198 | Болт | 20 | M12 X 30 | ||
| 2 | 03M7201 | Болт | 4 | M12 X 45 | ||
| 3 | 14M7291 | Фланцевая гайка | 12 | M16 | ||
| 4 | 14M7299 | Фланцевая гайка | 42 | M12 | ||
| 5 | 19M7663 | Винт с головкой | 2 | M8 X 70 | ||
| 6 | 19M7804 | Винт | 8 | M10 X 40 | ||
| 7 | 19M7820 | Винт | 6 | M12 X 100 | ||
| 8 | R43383 | Пружинное кольцо | 4 | |||
| 9 | 19M7830 | Винт | 2 | M16 X 150 | ||
| 19M7847 | Винт | 2 | M16 X 180 USE WITH H241247 | |||
| key | PART NO. | PART NAME | QTY | SERIAL NO. | REMARKS | |
| 10 | 19M7843 | Винт | 2 | M16 X 35 | ||
| 11 | 19M8306 | Винт | 4 | M12 X 50 | ||
| 12 | 19M8486 | Винт с головкой | 2 | M16 X 180 | ||
| 13 | 24M7241 | Шайба | 2 | 17 X 34 X 4 mm | ||
| 14 | AH219844 | Рукоять | 1 | LH, INCLUDES AH125201 | ||
| 15 | AH219846 | Рукоять | 1 | RH, INCLUDES AH125201 | ||
| 16 | AH220398 | Рукоять | 6 | INCLUDES AH125200 | ||
| 17 | H223674 | Ступица | 1 | LH | ||
| 18 | H227582 | Болт | 4 | |||
| 19 | H231095 | Болт | 2 | |||
| key | PART NO. | PART NAME | QTY | SERIAL NO. | REMARKS | |
| 20 | H234546 | Эксцентрик | 1 | RH | ||
| 21 | H234547 | Эксцентрик | 1 | LH | ||
| 22 | H234549 | Эксцентрик | 1 | RH | ||
| 23 | H234550 | Эксцентрик | 1 | LH | ||
| 24 | H235880 | Болт | 2 | |||
| 25 | AH125975 | Шариковый подшипник | 4 | |||
| 26 | H154928 | Болт | 8 | |||
| 27 | T119912 | Шайба | 2 | |||
| 28 | AXE16294 | Рукоять | 2 | INCLUDES AH125201 | ||
| 29 | H134118 | Формован. фланцевый корпус | 8 | |||
| key | PART NO. | PART NAME | QTY | SERIAL NO. | REMARKS | |
| 30 | H223652 | Ступица | 1 | RH | ||
| 31 | H223769 | Маховик | 1 | LH | ||
| 32 | H227073 | Шпонка вала | 2 | |||
| 33 | H228936 | Маховик | 1 | RH | ||
| 34 | H233203 | Рукоять | 2 | |||
| 35 | H233466 | Рукоять | 2 | |||
| 36 | H233482 | Рукоять | 2 | |||
| 37 | H96690 | Распорная втулка | 2 | |||
| 38 | H241247 | Кронштейн | 2 | |||
| 39 | H233921 | Кронштейн | 2 | |||
| key | PART NO. | PART NAME | QTY | SERIAL NO. | REMARKS | |
| 40 | H205560 | Винт | 8 |
| key | PART NO. | PART NAME | QTY | SERIAL NO. | REMARKS | |
|---|---|---|---|---|---|---|
| 1 | 03M7198 | Болт | 8 | M12 X 30 | ||
| 2 | 14M7299 | Фланцевая гайка | 8 | M12 | ||
| 3 | AL14674 | Эксцентр. контров. кольцо | 2 | |||
| 4 | AXE61820 | Шариковый подшипник | 2 | SUB FOR JD39109 | ||
| 5 | H133621 | Формован. фланцевый корпус | 4 | |||
| 6 | H226032 | Ось | 1 |
| key | PART NO. | PART NAME | QTY | SERIAL NO. | REMARKS | |
|---|---|---|---|---|---|---|
| 1 | H232985 | Перегородка | 3 | |||
| 2 | 19M7866 | Винт | 12 | M8 X 20 | ||
| 3 | 14M7298 | Фланцевая гайка | 12 | M8 |
| key | PART NO. | PART NAME | QTY | SERIAL NO. | REMARKS | |
|---|---|---|---|---|---|---|
| 1 | 19M7817 | Винт | 12 | M12 X 70 | ||
| 2 | 14M7299 | Фланцевая гайка | 12 | M12 | ||
| 3 | H228063 | Распорная втулка | 12 | |||
| 4 | H229252 | Уголок | 1 | LH | ||
| 5 | H231096 | Уголок | 1 | RH FRONT | ||
| 6 | 14M7296 | Фланцевая гайка | 7 | M10 | ||
| 7 | 19M7785 | Винт | 10 | M10 X 25 | ||
| 8 | 19M7805 | Винт | 8 | M10 X 45 | ||
| 9 | H123918 | Распорная втулка | 8 | |||
| 10 | AXE24394 | Пластина | 1 | RH | ||
| key | PART NO. | PART NAME | QTY | SERIAL NO. | REMARKS | |
| 11 | AXE24395 | Пластина | 1 | LH | ||
| 12 | 19M7784 | Винт | 6 | M10 X 20 | ||
| 13 | H145773 | Самофиксирующийся винт | 4 | |||
| 14 | 19M7786 | Винт | AR | M10 X 30 | ||
| 15 | ...... | Изолятор | 2 | CTL 400 mm, MF H81330 OR N191488 | ||
| 16 | ...... | Изолятор | 2 | CTL 1070 mm, MF H81330 |
| key | PART NO. | PART NAME | QTY | SERIAL NO. | REMARKS | |
|---|---|---|---|---|---|---|
| 1 | 14M7296 | Фланцевая гайка | 6 | M10 | ||
| 2 | 19M7784 | Винт | 6 | M10 X 20 | ||
| 3 | AH149663 | Пластина | 1 |
| key | PART NO. | PART NAME | QTY | SERIAL NO. | REMARKS | |
|---|---|---|---|---|---|---|
| 1 | 19M7784 | Винт | 24 | M10 X 20 | ||
| 2 | 14M7296 | Фланцевая гайка | 5 | M10 | ||
| 3 | 14M7298 | Фланцевая гайка | 8 | M8 | ||
| 4 | 19M7866 | Винт | 2 | M8 X 20 | ||
| 5 | AH213667 | Лопатка | 1 | LH | ||
| 6 | AH213668 | Лопатка | 1 | RH | ||
| 7 | AH218399 | Панель | 1 | |||
| 8 | H146457 | Гайка | 1 | |||
| 9 | H205667 | Пластина | 1 | Up | ||
| 10 | HXE80606 | Пластина | 1 | SUB FOR H205672, Front | ||
| key | PART NO. | PART NAME | QTY | SERIAL NO. | REMARKS | |
| 11 | AXE46199 | Пластина | 1 | SUB FOR AXE23943, Rear | ||
| 12 | 19M7785 | Винт | 3 | M10 X 25 | ||
| 13 | 03M7184 | Болт | 2 | M8 X 20 |
| key | PART NO. | PART NAME | QTY | SERIAL NO. | REMARKS | |
|---|---|---|---|---|---|---|
| 1 | AXE72503 | Пол | 1 | SUB FOR AH205552 | ||
| 2 | 14M7296 | Фланцевая гайка | 6 | M10 | ||
| 3 | 19M7785 | Винт | 6 | M10 X 25 |
| key | PART NO. | PART NAME | QTY | SERIAL NO. | REMARKS | |
|---|---|---|---|---|---|---|
| 1 | KXE10605 | Комплект башмаков | 1 | SUB FOR KXE10322 AND KXE10355 AND KXE10581, ALSO ORDER M64720 | ||
| 2 | AH223122 | Кронштейн | 2 | |||
| 3 | M64720 | Заклепка | AR | |||
| 4 | H174331 | Элемент жесткости | 4 | |||
| 5 | HXE12979 | Уплотнение | 2 | |||
| 6 | HXE25976 | Полоса | 2 | |||
| 7 | 14M7296 | Фланцевая гайка | 26 | M10 | ||
| 8 | 19M7784 | Винт | 16 | M10 X 20 | ||
| 9 | 19M7785 | Винт | 16 | M10 X 25 | ||
| 10 | 19M7789 | Винт | 4 | M12 X 30 | ||
| key | PART NO. | PART NAME | QTY | SERIAL NO. | REMARKS | |
| 11 | 19M7843 | Винт | 2 | M16 X 35 | ||
| 12 | 19M7866 | Винт | 6 | M8 X 20 | ||
| 13 | 24M7101 | Шайба | 4 | 11 X 34 X 3 mm | ||
| 14 | H148835 | Болт | 8 | |||
| 15 | 14M7291 | Фланцевая гайка | 2 | M16 | ||
| 16 | 14M7299 | Фланцевая гайка | 2 | M12 | ||
| 17 | 19M7830 | Винт | 2 | M16 X 150 USE WITH KXE10355 AND KXE10322 | ||
| 19M7847 | Винт | 2 | M16 X 180 USE WITH KXE10581 | |||
| 18 | H154928 | Болт | 2 | |||
| 19 | 03M7192 | Болт | 8 | M10 X 30 | ||
| key | PART NO. | PART NAME | QTY | SERIAL NO. | REMARKS | |
| 20 | 24H1254 | Шайба | 4 | 17/32" X 1-1/8" X 0.105" | ||
| 21 | H154071 | Гайка | 18 | |||
| 22 | R115466 | Заглушка | 18 |
| key | PART NO. | PART NAME | QTY | SERIAL NO. | REMARKS | |
|---|---|---|---|---|---|---|
| 1 | 03M7198 | Болт | 4 | M12 X 30 | ||
| 2 | 14M7296 | Фланцевая гайка | 8 | M10 | ||
| 3 | 14M7298 | Фланцевая гайка | 4 | M8 | ||
| 4 | 14M7299 | Фланцевая гайка | 4 | M12 | ||
| 5 | 19M7784 | Винт | 8 | M10 X 20 | ||
| 6 | 19M7866 | Винт | 3 | M8 X 20 | ||
| 7 | AH139297 | Шариковый подшипник | 1 | |||
| 8 | AH224093 | КОЛЕСО | 1 | |||
| 9 | HXE89438 | Скоба | 2 | |||
| 10 | 19M7897 | Винт | 2 | M8 X 35 | ||
| key | PART NO. | PART NAME | QTY | SERIAL NO. | REMARKS | |
| 11 | H173376 | Ось | 1 | |||
| 12 | H201773 | КОЛЕСО | 5 | |||
| 13 | H203514 | Вкладыш | 2 | |||
| 14 | H206345 | Лопасть вентилятора | 12 | |||
| 15 | H210903 | Заглушка | 8 | |||
| 16 | AH225510 | Подшипник | 1 | |||
| 17 | AL14674 | Эксцентр. контров. кольцо | 1 | |||
| 18 | H167613 | Опора | 1 | RH | ||
| 19 | JD7788 | Смазочная арматура | 1 | |||
| 20 | H113625 | Формован. фланцевый корпус | 1 | |||
| key | PART NO. | PART NAME | QTY | SERIAL NO. | REMARKS | |
| 21 | N52258 | Формован. фланцевый корпус | 1 | |||
| 22 | AXE29101 | Формован. фланцевый корпус | 1 | SUB FOR H225371 AND AN50686 | ||
| 23 | H113626 | Формован. фланцевый корпус | 1 | |||
| 24 | H167614 | Опора | 1 | LH | ||
| 25 | JD7846 | Смазочная арматура | 1 |